Bu lông inox là vật liệu không thể thiếu trong các ngành công nghiệp như xây dựng, cơ khí, hàng hải, y tế và chế biến thực phẩm. Trên thị trường, với nhiều loại bu lông inox khác nhau, việc chọn đúng loại phù hợp cho từng công trình là yếu tố quan trọng để đảm bảo độ bền và an toàn. Trong bài viết này, Bu Lông Nam Hải xin giới thiệu về “Các loại bu lông inox phổ biến? Cách phân biệt” hãy cùng tím hiểu nhé!
Bu lông inox là gì?
Bu lông inox là một loại vật liệu cơ khí được thiết kế, cấu tạo khác nhau tùy vào nhu cầu sử dụng trong các ngành nghề. Nhưng có đặc điểm chung đều là thân tròn và có ren xoáy.
Bu lông inox được sản xuất từ vật liệu inox chống gỉ 304 có khả năng chống lại sự oxy hóa, ăn mòn, tác động của môi trường bên ngoài.
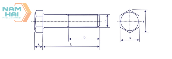
Cấu tạo của bu lông inox
Cấu tạo bu lông đơn gian gồm 2 phần là phần đầu và phần thân bu lông.
- Đầu bu lông: Được thiết kế với nhiều hình dạng khác nhau như hình tròn, hình vuông, hình lục giác 6 cạnh ngoài, bu lông lục giác ngoài, bu lông lục giác chìm, bu lông. Cũng có thể là bu lông đầu tròn cổ vuông, bu lông hình ô van, hình nón, hình trụ, đầu dù…
- Thân bu lông: Được tiện theo 2 kiểu ren là ren suốt và ren lửng.
Mặt cuối của bulong cũng có rất nhiều hình dạng, ví dụ như mặt phẳng, mặt cole, chỏm cầu hoặc mặt trụ tròn.
Đặc điểm của bu lông
Bu lông được biết đến với nhiều hình dạng khác nhau. Có loại đầu hình tròn, có loại đầu hình vuông, đầu 6 cạnh hay 8 cạnh khác nhau.
Bu lông dạng 6 cạnh là loại được sử dụng nhiều bởi sự tiện nghi và dễ sử dụng trong quá trình sản xuất và có độ thẩm mỹ cao.
Mặt cuối của bu lông có nhiều hình dangh như mặt phẳng, mặt code, chỏm cầu hoặc mặt trụ tròn. Bà mặt code được sử dụng nhiều hơn cả bởi nó khắc phục được lỗi hỏng ren, khắc phục sự cố khó chế tạo của mặt cuối hình chỏm.
Bu lông được chế tạo từ thép, thép cứng, thép không gỉ, titan, đồng thau, nhôm, hợp kim đồng, nhựa… Việc lựa chọn vật liệu để sản xuất bulông phụ thuộc nhiều vào vị trí kết nối mà nó được sử dụng, nhưng thép vẫn là vật liệu được sử dụng phổ biến nhất (đến 90%).
Có 2 kiểu kích thước bulong là:
- Bu lông có cấp độ bền cao 8.8, 20.9,12.9. Những loại bu lông có đường kính thân nhỏ hơn mà vẫn đảm bảo tải trọng của liên kết. Tuy nhiên, những bu lông này sẽ có giá thành cao hơn so với bu lông khác
- Bu lông có cấp bền thường 4.6, 5.6, 6.8 . Điều này sẽ làm cho kích thước của bu lông lớn hơn nhưng giá sẽ rẻ hơn.
Các loại bu lông phổ biến hiện nay? Cách phân biệt
Hiện nay trên thị trường có nhiều loại bu lông inox mỗi loại đều có những chức năng, phục vụ trong một số lĩnh vực nhất định khác nhau. Dưới đây là một số loại bu lông inox mà tại Bu Lông Nam Hải đang phân phối rất nhiều hàng ngày:
Bu lông inox lục giác ngoài ren suốt DIN 933
Bu lông lục giác ngoài ren suốt DIN 933 có vật liệu cấu tạo là inox 304. Đầu bulong inox 304 Din 933 có hình lục giác (6 cạnh đều), sử dụng dụng cụ cặn là cờ lê. Thân bulong inox 304 Din 933 là hình trụ dài được tiện ren suốt theo tiêu chuẩn ren hệ mét hoặc hệ inch.
- Đường kính thông thường: Từ M3 đến M36
- Bước ren: 01 – 3,5
- Chiều dài: Từ 10 – 200 mm (hoặc chiều dài đặt theo yêu cầu)
Bu lông inox lục giác ngoài ren lửng DIN 931
Bu lông ren lửng DIN 931 có vật liệu cấu tạo bằng Inox 304. Đầu bulong inox 304 DIN 931 có hình lục giác (6 cạnh đều), sử dụng dụng cụ cặn là cờ lê. Thân bulong inox 304 DIN 931 là hình trụ dài được tiên ren lửng theo tiêu chuẩn ren hệ mét hoặc hệ inch.
- Đường kính thông thường: Từ M3 đến M56
- Bước ren: 01 – 3,5
- Chiều dài: Từ 10 – 200 mm (hoặc chiều dài đặt theo yêu cầu)
- Đai ốc – Long đền đi kèm bulong DIN 931: đai ốc DIN 934, Long đền DIN 125.
Bu lông lục giác chìm đầu trụ DIN 912
Bu lông inox 304 lục giác chìm đầu trụ DIN 912 được sản xuất bằng mác thép SUS304. Đầu bulong inox 304 DIN 912 có hình trụ tròn, bên ngoài có thể trơn hoặc có khía răng cưa. Bên trong được dập lỗ lục giác là vị trí được sử dụng lục lăng để xiết. Thân bulong inox 304 DIN 912 là hình trụ dài theo tiêu chuẩn ren hệ mét hoặc hệ inch. Có thể được tiện ren suốt hoặc ren lửng tùy vào chiều dài của con bulong. Thông thường loại ngắn thì tiện ren suốt, loại dài thì tiện ren lửng.
- Đường kính thông thường: Từ M2.5, M3 đến M20
- Bước ren: 0,5 – 2.5
- Chiều dài: Từ 6 mm – 100 mm
Bu lông lục giác chìm đầu cầu DIN 7380
Đầu bu lông inox 304 DIN 7380 có hình cầu, ở giữa được dập lỗ lục lục giác chìm, dùng lục lăng để xiết. Thân bulong inox 304 DIN 7380 là hình trụ dài được tiên ren lửng hoặc ren suốt theo tiêu chuẩn ren hệ mét hoặc hệ inch.
- Đường kính thông thường: Từ M3 đến M12
- Chiều dài: Từ 6 mm – 60 mm
- Bước ren: 0,5 – 1.75
Bu lông lục giác chìm đầu bằng DIN 7991
Bu lông inox lục giác chìm đầu bằng hay còn được gọi là bu lông inox lục giác chìm đầu Col (côn). Bu lông lục giác chìm đầu bằng được sản xuất theo tiêu chuẩn DIN 7991… đạt cấp bền 8.8, 10.9 theo tiêu chuẩn quốc tế hoặc vật liệu thép không gỉ inox SUS 304.
- Vật liệu cấu tạo: inox 304
- Kích thước: M5 – M30
- Bu lông inox lục giác chìm đầù bằng được cấu tạo với phần đầu bulong bằng phằng. Ở giữa được dập lỗ lục lục giác chìm, dùng lục lăng để xiết
- Phần thân bulong được tiện ren theo tiêu chuẩn DIN 7991 có thể là ren suốt hoặc ren lửng nhưng thông thường là ren suốt.
Bu lông inox 304 đầu tròn cổ vuông DIN 603
Bu lông đầu tròn cổ vuông hay còn gọi là bulong chống xoay được sản xuất theo tiêu chuẩn DIN 603 – tiêu chuẩn ren hệ mét của Đức trong sản xuất bulong inox đầu tròn cổ vuông.
- Vật liệu cấu tạo: Inox 304
- Phần thân bulong được tiện ren hệ mét hoặc ren hệ inch. Có thể là ren suốt hoặc ren lửng.
- Phần đầu bulong có dạng chỏm cầu, trơn, không có giác hay vị trí nào để xiết.
- Phần cổ bulong có dạng hình vuông giúp cho bu lông chống bị xoay khi xiết ecu (đai ốc). Loại ê-cu được sử dụng thường là ecu liền long đen.
Bu lông tai hồng DIN 316 ( bulong tai chuồn )
Bulong inox tai hồng là một loại bu lông inox đươc sản xuất theo tiêu chuẩn DIN 366 – tiêu chuẩn ren hệ mét của Đức được áp dụng cho sản xuất các loại bu lông tai hồng hay còn gọi là tai chuồn, cánh chuồn. Bulong tai hồng được cấu tạo như sau:
- Vật liệu cấu tạo: Inox 304
- Phần thân bulong được tiện ren hệ mét hoặc ren hệ inch, thường là ren suốt.
- Phần tai bulong có dạng hai cánh chuồn, có mục đích là có thể sử dụng tay hay công cụ để xiết bulong.
Bu Lông Nam Hải – Chuyên phân phối và sản xuất bu lông inox uy tín
Bu lông Nam Hải là công ty sản xuất và phân phối bu lông inox uy tín, chuyên nghiệp nhất trên thị trường hiện nay. Trực tiếp phân phối tới tay khách hàng, không qua trung gian nên chất lượng sản phẩm và giá thành luôn ở mức tốt nhất. Cung cấp các giấy tờ chứng chỉ CO, CQ chính hãng sản xuất.
Dưới đây sẽ là các lý do bạn nên mua bu lông inox tại Bu lông Nam Hải:
- Cam kết chỉ bán hàng chính hãng, sản phẩm chất lượng: Tuyển trọn kỹ càng vật liệu khi sản xuất. Đội ngũ nhân lực lành nghề cùng hệ thống máy móc hiện đại.
- Gia công bu lông inox theo yêu cầu: Kích thước của bu lông inox sẽ được chúng tôi gia công theo nhu cầu đặt hàng của quý khách. Để phù hợp nhất với công trình và nhu cầu sử dụng.
- Giá thành rẻ nhất: Các sản phẩm bu lông inox 304 tại Nam Hải được công ty sản xuất và phân phối trực tiếp. Do đó, giá thành luôn ở mức tốt nhất, rẻ nhất cho khách hàng.
- Quy trình làm việc chuyên nghiệp: Từ khâu lựa chọn vật liệu, sản xuất, phân phối và chăm sóc khách hàng đều tận tình, chu đáo. Thực hiện nghiêm túc, chuyên nghiệp nhằm đem lại lợi ích tốt nhất cho khách hàng.
Liên hệ ngay cho chúng tôi để được tư vấn cụ thể và báo giá các loại bu lông – đai ốc nhanh chóng nhất:
CÔNG TY TNHH ĐẦU TƯ THƯƠNG MẠI VÀ XUẤT NHẬP KHẨU NAM HẢI
🏫 Địa chỉ: Lô NV1-13, Khu đấu giá Tứ Hiệp, Xã Tứ hiệp, Huyện Thanh Trì, Hà Nội
☎️ Hotline & Zalo: 0987.999.873
✉️ Email: Sales@namhaiinox.com.vn – 🌎 Website: Bulongnamhai.com









