Bu lông cường độ cao 10.9 là gì? Đây là câu hỏi mà nhiều người đang thắc mắc về loại bu lông này. Trong bài viết này, Bu Lông Nam Hải sẽ gửi đến quý khách những thông tin về bu lông cường độ cao 10.9
Bu lông cường độ cao 10.9 là gì?

Bu lông cường độ cao 10.9 là loại bu lông lục giác cường độ cao được chế tạo từ thép hợp kim cacbon cao, trải qua quá trình tôi luyện nhiệt để đạt độ bền kéo tối thiểu 1000 MPa và giới hạn chảy 900 MPa. Đây là sản phẩm lý tưởng cho các công trình yêu cầu khả năng chịu lực lớn, như kết cấu thép, cầu đường, ô tô, và máy móc công nghiệp.
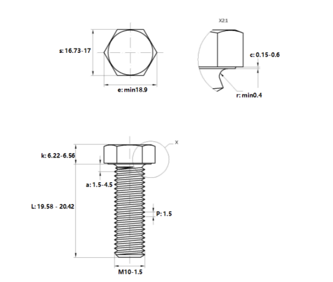
Cấu tạo bu lông cường độ cao 10.9
Bu lông cường độ cao có cấu tạo gồm phần đầu lục giác và thân trụ tròn được tiện ren (ren suốt hoặc ren lửng), phù hợp để kết hợp với đai ốc hoặc chi tiết ren âm, dễ dàng tháo lắp và hiệu chỉnh. Với khả năng chịu lực vượt trội, sản phẩm này được ứng dụng rộng rãi trong lắp ráp máy móc công nghiệp nặng, kết cấu thép chịu lực, và các công trình giao thông. Mecsu cung cấp bu lông cường độ cao với kích thước từ M8 đến M36, chiều dài từ 16mm đến 300mm, cùng nhiều tùy chọn xử lý bề mặt như mạ kẽm trắng Cr3+ và mạ kẽm thông thường.
Bu lông cường độ cao có cấu tạo gồm hai phần chính:
- Phần đầu lục giác: Được thiết kế dạng lục giác đều, giúp dễ dàng siết chặt bằng cờ lê hoặc dụng cụ chuyên dụng. Đầu lục giác được xử lý nhiệt để tăng độ cứng và khả năng chống mài mòn.
- Phần thân: Hình trụ tròn, được tiện ren (ren suốt hoặc ren lửng) theo tiêu chuẩn hệ mét, đảm bảo độ chính xác cao khi lắp ghép với đai ốc. Ren giúp tạo lực căng, giữ mối nối chắc chắn dưới tải trọng lớn.
Vật liệu sản xuất bu lông cường độ cao 10.9
Bu lông cường độ cao được chế tạo từ thép hợp kim cacbon cao, với thành phần chính gồm sắt (Fe), cacbon (C), mangan (Mn), silic (Si), crom (Cr), và molypden (Mo). Các nguyên tố này giúp tăng độ bền kéo, độ cứng, và khả năng chịu lực.
Quá trình nhiệt luyện (quenching và tempering) được thực hiện để đảm bảo độ bền kéo đạt 1000 MPa và giới hạn chảy 900 MPa. Lớp mạ bề mặt như mạ kẽm trắng Cr3+ hoặc mạ kẽm thông thường giúp bảo vệ bu lông khỏi oxy hóa, tăng tuổi thọ sử dụng.
Phân loại bu lông cường độ cao
Phân theo lớp phủ bề mặt
- Bu lông đen 10.9: Không mạ hoặc phủ oxit đen, màu đen, khả năng chống gỉ thấp, phù hợp cho môi trường khô ráo như máy móc công nghiệp.
- Bu lông mạ kẽm 10.9: Mạ kẽm trắng Cr3+ hoặc mạ kẽm thông thường, màu bạc sáng, chống ăn mòn tốt, dùng trong môi trường ngoài trời hoặc độ ẩm cao.
Phân theo size ren
- M8-M14: Dùng trong các kết cấu nhỏ, cơ khí, ô tô.
- M16-M22: Phù hợp cho kết cấu thép, công trình xây dựng.
- M24-M36: Ứng dụng trong các công trình lớn như cầu đường, giàn khoan dầu khí.
Phân theo phân bố ren
- Ren suốt (DIN 933): Toàn bộ thân được tiện ren, phù hợp cho mối ghép cần lực siết mạnh.
- Ren lửng (DIN 931): Phần thân trơn giúp tăng khả năng chịu cắt, dùng trong kết cấu lớn.
Ưu diểm và nhược điểm của bu lông cường độ cao
Ưu điểm
- Khả năng chịu lực cao, độ bền kéo 1000 MPa, phù hợp cho các kết cấu quan trọng.
- Chống ăn mòn tốt (với loại mạ kẽm), dùng được trong môi trường ngoài trời.
- Độ bền vượt trội, kéo dài tuổi thọ công trình.
- Dễ lắp đặt và tháo rời, tiện lợi cho bảo trì.
Nhược điểm
- Chi phí cao hơn so với bu lông cấp bền thấp (4.8, 8.8).
- Cần lắp đặt đúng tiêu chuẩn để đảm bảo hiệu suất tối đa.
- Bu lông đen 10.9 có khả năng chống gỉ thấp, không phù hợp cho môi trường ẩm ướt.
Ứng dụng của bu lông cường độ cao
- Xây dựng và kết cấu thép: Dùng trong cầu đường, nhà xưởng, giàn giáo, kết cấu dầm, cột chịu lực.
- Cơ khí và chế tạo máy: Lắp ráp máy móc, thiết bị công nghiệp, các chi tiết chịu tải lớn.
- Ô tô và giao thông vận tải: Cố định khung xe, động cơ, hệ thống treo.
- Dầu khí: Sử dụng trong giàn khoan, kết cấu chịu tải lớn và môi trường khắc nghiệt.
Mua bu lông cường độ cao 10.9 ở đâu
Bạn đang tìm kiếm Bu lông cường độ cao 10.9 nhập khẩu chính hãng, chất lượng và giá cả hợp lý? Hãy đến với Bu Lông Nam Hải – đơn vị uy tín và chuyên nghiệp trong lĩnh vực cung cấp vật liệu xây dựng và phụ kiện công nghiệp.
Chúng tôi cam kết mang đến cho quý khách hàng những sản phẩm Bu lông cường độ cao 10.9 nhập khẩu chính hãng từ các nhà sản xuất uy tín trên thế giới. Chất lượng là tiêu chí hàng đầu của chúng tôi, vì vậy quý khách hàng có thể hoàn toàn yên tâm về nguồn gốc và độ tin cậy của sản phẩm.
Bu lông cường độ cao 10.9 tại Bu Lông Nam Hải đáp ứng các tiêu chuẩn cơ tính cao, bao gồm cường độ kéo tối đa từ 1000 MPa đến 1090 MPa và chỉ số uốn từ 1080 MPa đến 1170 MPa. Điều này đảm bảo sự chắc chắn và độ bền cao của bu lông trong quá trình sử dụng.
Không chỉ đảm bảo chất lượng, chúng tôi cũng cam kết mang đến giá cả hợp lý và cạnh tranh trên thị trường. Với mạng lưới liên kết đối tác và nhà cung cấp đáng tin cậy, chúng tôi luôn nỗ lực để mang đến cho quý khách hàng mức giá ưu đãi và tiết kiệm.
Hãy đến với Bu Lông Nam Hải để trải nghiệm dịch vụ chuyên nghiệp và tận hưởng những lợi ích sau:
- Sản phẩm Bu lông cường độ cao 10.9 nhập khẩu chính hãng và đảm bảo chất lượng.
- Giá cả hợp lý và cạnh tranh trên thị trường.
- Đội ngũ nhân viên nhiệt tình, am hiểu sản phẩm và sẵn sàng tư vấn hỗ trợ.
- Dịch vụ giao hàng nhanh chóng và tin cậy.
Mọi thông tin chi tiết vui lòng liên hệ:
CÔNG TY TNHH ĐẦU TƯ THƯƠNG MẠI VÀ XUẤT NHẬP KHẨU NAM HẢI
🏫 Địa chỉ: Lô NV1-13, Khu đấu giá Tứ Hiệp, Xã Tứ hiệp, Huyện Thanh Trì, Hà Nội
☎️ Hotline & Zalo: 0987.999.873
✉️ Email: Sales@namhaiinox.com.vn – 🌎 Website: Bulongnamhai.com




